UC-Einsätze (UC-Lager)

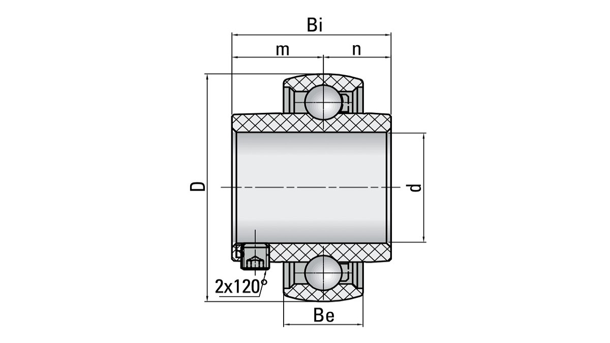
Bei UC-Einsätze (UC-Lager) handelt es sich um einreihige, montagefertige Baueinheiten. Sie bestehen aus einem massiven Außenring, einem ein- oder beidseitig verbreiterten Innenring und einem Käfig. UC-Einsätze können so ausgelegt werden, dass der Innenring beidseitig verbreitert ist, dadurch wird die Verkippung des Innenrings geringer und somit kann ein ruhigerer Lauf erzielt werden.

UC-Einsätze werden in Steh-und Flanschlagergehäuse eingesetzt. Sie fungieren im Gehäuse als Gleitlager, durch diese Art der Lagerung können Fluchtungsfehler der Welle kompensiert werden. UC-Einsätze aus Kunststoff sind wartungs-und schmierungsfrei.

UC-Einsätze von SMG passen sowohl in die Steh-und Flanschlagergehäuse von SMG als auch in die bekannten, genormten Gehäuse aus Stahlguss. Die Standard-Materialkombinationen für UC-Einsätze von SMG sind Ringe aus POM, Kugeln aus Edelstahl 1.4401 und Käfige aus PA.

UC-Einsätze von SMG können ebenfalls kundenspezifisch ausgelegt werden.
Varianten in zölligen Abmessungen sind möglich.

 
 
 

Willkommen bei SMG

Sie wünschen detaillierte Information zu unserem Produktportfolio oder eine technische Beratung.

Kontaktieren Sie uns gerne jederzeit.

 
smg_seelig_tom
Ihr Ansprechpartner: Tom Seelig

Kontakt

Telefon: +49 7431 10 2065
E-Mail: sales@smg-plastics.de

Schmeing GmbH & Co. KG

Ostring 26
46348 Raesfeld
Deutschland

Scroll to top